Cara Memasang TR Final pada driver power safari 400 watt, biasanya sanken tidaklah begitu sulit karena driver ini sebenarnya masih dalam satu Class Driver power amplifier seperti power 150 ocl. Terkenal dengan power safari karena PCB safari adalah yang paling banyak beredar disebagian besar Indonesia, walaupun sebenarnya PCB dengan desain semacam ini banyak dibuat oleh industri lain. Ada PCB driver model safari yang sudah dilengkapi tempat untuk memasang kaki-kaki transistor final, namun banyak juga yang hanya di beri ubang untuk kabel dengan kode A,B,C,D,0,=, dan + . Nah, PCB yang hanya di beri lubang dan kode huruf ini terkadang membuat bingung pemula karena belum memahami konsep dan skema yang biasanya sudah disertakan. Kalau bagi yang ahli dengan elektronik khususnya driver class AB semacam power safari ini mungkin bukan kendala berarti, dan jika ini jadi masalah bagi kamu maka berikut caranya :
Tabel konten
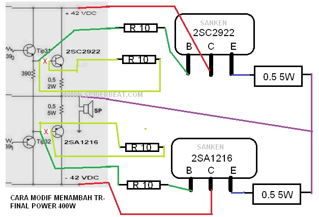
Cara memasang TR final pada PCB Driver OCL Safari 400 watt sanken
Komponen tambahan yang perlu kamu sediakan adalah resistor kapur 0,5ohm 5watt dan resistor 10 ohm 1/2watt yang masing-masing sebanyak 2 biji.

Perhatikan secara seksama pengkabelan diatas, periksa sekali lagi untuk memastikan jangan sampai ada yang keliru; sebab kalau sampai keliru seringkali tidak bisa diulang lagi karena tr final bisa langsung short.
Menambahkan TR final untuk menambah Daya/watt power amplifier
Nah, apabila kamu sudah berhasil memasang TR final sanken seperti pada gambar diatas, mungkin kamu akan berfikir bagaimana caranya menambah daya. Ya, gambar diatas adalah menggunakan TR final sanken hanya sepasang alias 1 set, sehingga secara teori daya maksimal masih bisa 200 watt saja. Nah untuk dapat mencapai 400 watt, maka setidaknya kamu perlu untuk menambah 1 set final sanken lagi ; dengan asumsi bahwa 1 set final sanken menurut datasheet memiliki daya 200wat, maka jika kamu pasang 2 set berarti 200watt plus 200watt = 400 watt. Dengan catatan bahwa daya output power amplifier bergantung dengan faktor lain yaitu arus dan beban, artinya berapa ampere trafo power supply dan impedansi speaker juga diperhitungkan.
Berikut gambar cara menambahkan 1 set final sanken pada power safari 400watt :

Caranya gampang, kamu cukup menambahkan satu tingkat lagi, artinya kamu juga perlu menyediakan R 10 ohm dan r kapur 0,5ohm 5watt masing-masing 2 biji. Kamu bebas menambahkan TR final hingga 10 set, tergantung dari speaker dan tentunya arus/amper trafo yang sesuai.
Keunggulan power safari 400 watt
Driver ini sebenarnya tidak jauh berbeda dengan power 150 watt hanya saja lebih sedikit komponen yang dipakai. Banyak yang berpendapat bahwa power safari ini memiliki karakter suara bass yang lebih ulem atau empuk, serta umumnya mampu disupply hingga 32volt trafo. Pendapat lain juga mengatakan jika driver ini baik untuk sub dan power amplifier rumahan dan sound lapangan kelas daya menengah.
Demikian cara memasang TR final pada driver power amplifier safari 400 watt. Tetap lakukan dengan teliti agar tidak terjadi kesalahan yang bisa langsung merusak TR final.

Mas, untuk speaker 10″+ tweeter x 2 ideal power berapa, trafo berapa kalo pakai final sanken
Power mengikuti kemampuan speakernya. Atau sebaliknya. Alias power handling speaker harus seimbang dengan ouput powernya, bukan masalah diameter speaker atau finalnya atau trafonya. Misalnya speakernya 100W maka powernya jangan lebih 100Wrms peak untuk powernya. Baca ini dulu gan : Cara Menghitung Kemampuan Trafo Terhadap Watt Power Amplifier
Mas saya punya Power Kit 2 Way speaker aktif apollo kapasitas 450-1000watt.apa bisa langsung di aplikasikan ke 2 tweeter,ke 2 speaker woofer 10 inch dan 2 speaker woofer 12 inch.berapa watt ukuran speaker yang dibutuhkan.terima kasih.
Kalau tweeter tak membutuhkan watt yang besarnya sama dg woofer, karena dibantu sama capasitor yang ada pada crossover. Kalau woofer ya setidaknya sama dengan daya ouput power maksimal jadi 1000W juga, jadi jika ada 2 woofer maka masing-masing woofer 500W.Tweeternya 300w sudah mampu.
TAPI dicek dulu apakah powernya beneran maksimal 1000wrms?
Kit 400 w klo pengen naik jadi 1000 w…brarti nambah tr final 3 set y bang…trus untuk komponen kit nya apa ada yg harus dirubah
Ygn berpengaruh terhadap kenaikan daya(Watt) adalah tegangan, ampere, beban/speaker. Tr final juga harus memiliki disipasi daya yang sesuai misalnya sanken persetnya adalah 200 watt maka butuh setidaknya 5 set sanken. Menaikkan tegangan harus mengetahui kemampuan drivernya, misalnya dari pabrik maksimal 45V maka tidak bisa dinaikkan menjadi 60V kecuali dimodifikasi.
Ini ada cara menghitungnya ===> Cara Menghitung Kemampuan Trafo Terhadap Watt Power Amplifier dan Cara Menghitung Daya Output Watt RMS Power Amplifier
Pak Supri
Kalo Tr finalnya pake TOSHIBA_2SC5200-2SA1943, apakah resistor basisnya tetep pake 10 ohm? atau perlu diganti nilainya?
Terima kasih.
hanya utk pembagi saja krn pakai final lebih dari sepasang supaya rata. final apapun sama
Mas mau tanya saya punya speaker 12in 4 biji,kira2 kalo untuk membuat power yg pakai sanken 400watt butuh tr final 2 set,terus travonya 5a,dioda 10000 2buah,kira2 bisa ngangkat….
Bisa saja ngangkat 4 biji. Tapi kurang maksimal . 10A baru cukup baik.
Maaf master.aq mau nanya. Apakah R 10 pd paralel sanken bebas watnya. Soalnya aq pake R 10K 0.5 WAT yg warna krem suaranya serak.🙏
Watt resistor tidak pengaruh ke suara. Srak bisa disebabkan hal lain.
Saya rakit driver 400 wat sanken 1 set trafo 5@ elco 10,000 uf 2 set tr final kok cepet panas mohon bimbingannya!!
maaf mau tanya nih klo travo 10A dg out maksimal 45v .
prtanyaannya mampukah mengangkat speker 15″ 2 biji dan 12″ 4 biji klo ia baiknya pke toshiba atau sanken brapa set ?
mhon pnjelasanya trimakasih sblumnya
Bisa asal impedansi speakernya pas dg power saat dirangkai baca juga : Cara Menyambung Banyak Speaker yang Benar pada Audio Sound System.
Final 2 set saja bisa, tapi sebaiknya 4 set biar lebih dingin
maaf mau tanya nih klo travo 10A dg out maksimal 45v .
prtanyaannya mampukah mengangkat speker 15″ 2 biji dan 12″ 4 biji klo ia baiknya pke toshiba atau sanken brapa set ?
mhon pnjelasanya
Mampu saja, tapi trafo 10A dg tegangan 45V daya keluaran mungkin sekitar 500W maksimal.
Pertanyaanya speaker berapa watt power handlingnya? Jika total misalnya 1000W , artinya tidak seimbang sehingga kurang maksimal.
Sebaiknya 6 speaker itu dibagi kedalam 2 channel atau memakai 2 power. 1 power/channel untuk 15 Inch x2 dan channel/power satunya untuk 4×12 inch. Masalah berapa jumlah TR final, untuk trafo 10A Channel 1; 2 set, chanel 2; 2set cukup
Ms klo sanken yg ber kode sc atau sa tapi no seri berbeda kalau d gabung apa ber pengaruh . Cntoh sc2922 dengan sc 3264
Beda spesisikasi. c3264 lebih tinggi voltnya, tapi kisaran hfenya lebih lebar c2922. Tapi disipasi daya/watt-nya sama.
Dan sebaiknya ini tidak dilakukan jika ingin amplifier yang berklualitas(misalnya sc3264 pasangannya yg sesuai adalah sa1295) jangan dioplos misalnya sc2922 dipasangkan dengan sa1295, sebab HFe ini idealnya sama. Bukankah sudah dijual berpasangan tiap transistor power?
Tentu ini pengaruh utamanya pada kualitas audio dan panas yang tidak merata
Tapi jika channel A pakai c2922+sa1216 dan channel B pakai c3264+sa1295 ya tidak ada masalah.
Gan numpang tanya final sañken 8 set mono baik nya disuplai ct berapa V ya ?
Tegangan Collector Emittor sanken menurut datasheet 180VDC. Jadi maksimal bisa 90VDC, tapi cari amannya pakai 70VDC aja
Mas Supri yg Budiman. Saya sudah habis driver 3 keping semuanya rusak.
Pertanyaan saya… Jika driver Sanken 400watt mono. Mau saya tambah tr final satu lagi menjadi dua set.
Apakah kedua resistor kapur yg ada didriver harus dilepas. Bagaimana dgn 10r nya apa dicopot juga.
Karena semalam 10r nya beletus.
Pertama : Pastikan rangkaian sudah benar, BCE dan tegangan. Tak mungkin tr meletus kalau tidak ada masalah .
Baiklah, saya kasih gambarnya supaya diteliti lagi :
Matursembah nuwun atas responnya.
Yg meletus resistor dipcb Sanken.
Spek
Trapo 5A palsu
Elco 10000uf 50v. 3pasang
Driver Sanken 400watt mono Aria.
Tr final Sanken asli dua set.
Speaker 12 murahan.
Hasilnya suaranya malah JD pelan
. .
Apa LG yg harus sy ganti
Mas Supri. Monggo
Mau nanya nih… Jika kit driver nya voltasenya cuman 42 volt dg 2 set sanken apakah boleh voltasenya di naikkan jika sanken nya ditambah?,
Menambah voltage akan mempengaruhi driver termasuk DCO, Bias, slew rate. Jadi driver ini juga harus disetting juga jika menambah tegangan
Mau nanya nih mas.. Saya punya kit turbo 400 watt mono, apa boleh di pasangkan sanken 8 set dan berapa watt out put nya?
Boeh saja 8 set sanken, tapi perlu diketahui bahwa daya Ouput tergantung Arus, beban dan tegangan. Meskipun 8 set sanken yg idealnya bisa 1600W maksimal, tapi kalau pakai trafo 5A tak akan mampu meskipun hanya 400W. Untuk kit turbo itu ideal disetting 400W, jadi cukup dengan 2 set sanken dan trafo 10A. Bisa juga pakai 4 set sanken, dg trafo 20A mungkin masih bisa output 700W
Bro, saya beli rangkaian ampli 450 watt (Nelc)
Tr final minta punya toshiba. Apakah aman jika tr finalnya saya ganti menjadi sanken bro. Tentunya dengan daya watt-nya jadi naik sedikit…
Mohon pencerahan.
Niat Merangkai Len array kiri-kana, yg masing-masing 2 buah box. Tiap box di pasang 2 buah speaker 6″ daya/speaker 600watt dengan inpendensi 4 ohm yang dipasang seri. Tiap box di hubungkan secara pararel. Sehingga hasilnya.
8 buah speaker * 600 Watt/speaker = 4800watt
Inpendasi total 4 ohm.
Jadi bagaimana merangkai driver finalnya
Kalau sanken persetnya mampu 200W, jadi untuk speaker total 4800W: 4800/200=24.Jadi butuh 24 set final sanken. Cara merangkainya sama saja. 😀
Kalau saya sih tidak akan seperti itu, tapi saya bagi menjadi 2 blok speakernya L dan R (2 channel). Jadi masing masing channel akan butuh power 2400 Watt – artinya untuk setiap channel power pakai sanken 12 set saja.
mz ganteng speadebeat mohon pengarahannya…saya punya warisan speaker prestige 8 inchi 4 ekor…kira2 klw pake trafo ampli yang cocok apa ya?
klw inputnya dc dr batre li-ion 18650(v&A bisa disesuaikan)ampli yg cocok untuk 4 speaker itu apa mz?
maaf sebelumnya,,saya rada kurang paham sama ampli…
tks b4
Susah nih jawabnya.
Kita bikin amplifier tergantung dari kebutuhan kita. Jadi speaker dan power supply harus menyesuaikan dg kebutuhan tersebut. Misalnya sbg contoh : kita mau bikin ampli berdaaya 50W, maka power supply dan speaker harus cocok sama power ampli yg akan dipakai.(power supply bisa pakai trafo atau baterai)
Sekarang pertanyaannya, 4 speaker milik kamu itu masing-masing berapa Watt?… misalnya masing2 spiker adalah 10W, maka di kali 4 = 40W total speaker. Jadi power ampli dan power supply yang dipakai harus support untuk menghasilkan output 40W dari total speaker yg dipakai.
Kalau pakai batterai, umumnya menggunakan power ampli yang tidak menggunakan supply simetris. Tapi bisa juga menggunakan supply simetris dengan cara menggunakan rangkaian inverter yg menghasilkan DC simetris seperti pada power amplifier untuk mobil.
Jadi intinya power ampli, tegangan, dan beban harus seimbang sesuai kebutuhan.
Untuk cara hitung-hitungan tegangan terhadap beban/speaker bisa baca artikel yang ini
Di dalam pemasangan tf final Sanken klw memakai resistor atau tdk apakah berpengaruh?
Tolong donk penjelasannya yg akurat
Pengaruhnya mungkin tak kentara gan secara kasat mata, meskipun tak pakai tahanan telinga kita tak akan bisa bedakan,,,,Tapi itu adalah suatu trik/cara untuk meratakan signal utk tiap2 TR(asumsi kita pakai lebih dari 2set), soalnya transistor itu kemungkinan tak sama persis Hfe, kecuali memang kualitasnya sangat bagus. Pertanyaannya adakah transistor yg kualitas bener-bener bagus saat ini?.. BTW, tujuannya agar rata sehingga panasnya pun diharapkan juga merata sehingga awet dan tahan lama. Kayak gitu lah teorinya…. hehe.
Mas resistor 10 r itu digambare jenengan warna pintanya coklat hitam hitam dan emas.
Kmarin saya beli dikasih resistor biru yg pintanya sama dicontohkan mas Supri.
Waktu saya pasang suaranya jelek.
Pertanyaan saya r10 yg bagus itu yg mana
Resistor dilihat toleransinya, warna emas adalah yang paling akurat. Beli R yang 1 persen aja, biasanya warna biru
mas mau tanya untuk trafo 20A 45V ct maksimal pemakaian sanken/toshiba berapa set dan elco berapa biji dan hitungan out putnya berapa watt
Perkiraan saja, sanken bisa pakai 6 set 1200 watt
mas, sy pnya power socl 504, pke trafo era 20a. 45 volt, bisa di naikan supley travonya gk mas, trus maksimalnya mampu brpa ampere dan brpa volt
Voltase mengikuti kemampuan elco dan TR final serta TR yg lain. Misalnya yang bikin rangkaian mintanya 45v ya harusnya diberi 45v, jangan lebih kecuali dimodif rangkaian atau komponen. Naikin tegangan berisiko tinggi. Kalau masalah ampere, tergantung kebutuhan, misalnya pakai trafo 20 ampere, maka kira-kira masih mampu untuk power 1000watt
iya om,aku dirumah power 400 watt,alu tambah tr final 2 set,tapi cuma pake trafo 10A( tidak murni) suara nya di speaker grek2 kalo di tambah volume,gimana itu om
Trafo kayaknya nggak masalah dengan final 2 set sehingga menyebabkan grek-grek. Mungkin potensionya, bisa juga kebesaran input, atau speakernya terlalu gedhe wattnya(karena trafo10A kecil, maka ouput nggak bisa maksimal 400watt.
Coba input power dan input tonecontrolnya dikasih tahanan 47K, kalau masalah inpout over biasanya masalah beres.
kalau driver safari pada final diganti type mj15003/04 berpengaruh di karakter suaranya gak mas? tetep low khas driver bawaan apa berubah ke flat khas jengkolan? terimakasih
Karakter suara bukankah tergantung rangkaian drivernya, tr final hanya sebagai pendorong/penguat signal akhir saja
mas kalo pakai sanken 2SA1295 & 2SC3264 2 set bisa nggak
bisa
mas kalau ditambah tr nya itu apa malah tambah besar watt nya?
Iya. tapi yg lain juga harus mendukung seperti arus dan tegangan agar nggak drop saat TR ngangkat daya yg besar yg dikeluarkan ke loudspeaker.
Boss mau tanya. Sya punya travo 1 troid 5amper yg 1 kotak. 5amper kecil. Kalo di gabung jadi 1 kira” gimana gan. Tolong jelaskan boss.
sama saja, asalkan outputnya sama
Mau tanya mas,…
PA saya transistornya 4 buah sama semua tuliasan di body komponennya.
Kalau mau ganti pake Sanken bisa ga ya, soalnya Sanken kan jenisnya set A… dan C…
Mohon pencerahannya,…
Kalau type SA1216 itu jenis PNP sama dengan tip3055/2n3055
Kalau type SC2922 itu jenis NPN sama dengan tip2955/MJ2955
Kalau keempatnya sama biasanya itu jenis NPN semua, kalau mau ganti ya tetep harus sejenis semua…
jarang ada yang pakai…. saya tahunya cuma kit power 60 watt yang model begitu….
Permisi mau tanya mas kalau untuk transistor final toshiba 5200 gimana buat 3 set atau 4 set, kalau ada minta layout skema nya dong mas masih pemula msh pemula soalnya tks?
sama saja skemanya, hanya tinggal ganti sanken dengan toshiba. Kalau mau nambah 4 set dan seterusnya, ya tinggal nyontoh jalur yg sudah ada. Hanya tambahkan perset set TR final, yaitu 1 set resistor 10Ohm dan 1 set resistor kapur
Berapa setpun bisa, asal supplynya sesuai dengan kebutuhan rangkaian final yang ada. Toshiba 5200 sejoli bisa menghasilkan daya 150 watt perset, kalau sanken 2sc2922 sejoli. jadi masih lebih besar sanken,,