Apakah EMI Filter? EMI (Electromagnetic Interference) adalah masalah umum dalam dunia elektronik dan listrik yang dapat mengganggu kinerja peralatan elektronik, menghasilkan gangguan, dan bahkan merusak perangkat. Untungnya, ada solusi yang efisien untuk mengatasi masalah ini, yaitu EMI filter. Dalam artikel ini, kami akan membahas EMI filter secara rinci, menguraikan bagaimana mereka berfungsi, jenis-jenisnya, dan bagaimana Anda dapat menggunakannya untuk mengurangi EMI.
Tabel konten
Mengenal EMI FILTER, Definisi, Cara kerja dan Aplikasinya

Apa itu EMI?
Elektromagnetik Interference (EMI) adalah gangguan elektromagnetik yang dapat merusak atau mengganggu peralatan elektronik. EMI dapat berupa gelombang radio, gelombang elektromagnetik, atau noise listrik yang tidak diinginkan. Ini dapat memengaruhi sirkuit elektronik dan perangkat yang sensitif terhadap perubahan sinyal.
Kenapa EMI Merupakan Masalah?
EMI dapat menjadi masalah serius karena dapat mengganggu kinerja peralatan elektronik. Ketika perangkat elektronik menerima gangguan elektromagnetik, ini dapat mengubah sinyal yang dihasilkan oleh perangkat tersebut. Misalnya, dalam peralatan audio, EMI dapat mengakibatkan noise atau gangguan pada output suara. Dalam komputer, EMI dapat menyebabkan kerusakan data atau kegagalan sistem.
EMI Filter: Konsep Dasar
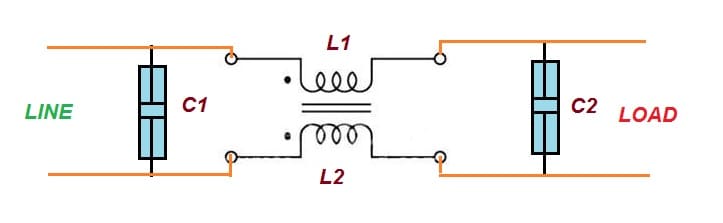
EMI filter adalah perangkat yang dirancang khusus untuk mengurangi atau menghilangkan EMI dari sirkuit elektronik. Mereka bekerja dengan cara mengidentifikasi frekuensi gangguan elektromagnetik dan kemudian meredam atau memblokirnya. Filter ini biasanya menggunakan komponen pasif seperti induktor dan kapasitor untuk mencapai ini. Induktor digunakan untuk meredam noise frekuensi tinggi, sementara kapasitor mengarahkan noise frekuensi tinggi ke tanah atau sumber lainnya.

Jenis-jenis EMI Filter
Berbagai jenis EMI filter yang tersedia, termasuk:
- Filter Tembaga: Filter ini menggunakan kumparan tembaga untuk meredam EMI dalam berbagai frekuensi.
- Filter Ferrite: Ferrite adalah bahan yang memiliki kemampuan tinggi untuk menyerap gelombang elektromagnetik, sehingga filter ferrite sangat efektif dalam mengatasi EMI.
- Filter Kapasitor: Filter kapasitor memanfaatkan kapasitor untuk mengarahkan noise elektromagnetik ke tanah atau sumber lainnya.
- Filter Induktor: Filter ini menggunakan induktor untuk memblokir noise frekuensi tinggi.
- Filter RC (Resistor-Capacitor): Kombinasi resistor dan kapasitor digunakan untuk mengurangi noise EMI.
Pemilihan EMI Filter yang Tepat
Anda perlu mempertimbangkan berbagai faktor saat memilih EMI filter, seperti frekuensi noise yang harus dihilangkan, jenis perangkat yang akan digunakan, dan spesifikasi lainnya. Penting untuk memastikan filter yang Anda pilih sesuai dengan kebutuhan spesifik Anda.
Instalasi dan Penggunaan EMI Filter
Setelah Anda memilih filter yang tepat, Anda perlu memasangnya pada titik yang strategis dalam sirkuit elektronik Anda. Biasanya, filter dipasang pada titik masuk daya atau input peralatan elektronik.
Cara Kerja EMI Filter
EMI filter, atau Electromagnetic Interference filter, bekerja dengan cara mengurangi atau memblokir gangguan elektromagnetik (EMI) yang dapat memengaruhi kinerja atau keandalan peralatan elektronik. Ini dilakukan dengan mengisolasi dan meredam noise elektromagnetik yang masuk atau keluar dari perangkat elektronik atau sirkuit listrik. Berikut adalah langkah-langkah umum tentang cara kerja EMI filter:
- Penyaringan Frekuensi: EMI filter bekerja dengan mengidentifikasi frekuensi gangguan elektromagnetik yang masuk ke dalam peralatan atau keluar dari peralatan. Filter ini dirancang untuk meredam atau memblokir noise elektromagnetik pada frekuensi tertentu atau rentang frekuensi tertentu.
- Komponen Pasif: EMI filter biasanya terdiri dari komponen pasif seperti induktor (coil) dan kapasitor (capacitor). Induktor bekerja dengan meredam noise frekuensi tinggi, sementara kapasitor bekerja untuk mengarahkan noise frekuensi tinggi ke tanah atau sumber lainnya. Kedua komponen ini bekerja bersama-sama untuk mengisolasi noise elektromagnetik.
- Konfigurasi Filter: Filter EMI dapat dikonfigurasi dalam berbagai cara, termasuk filter Common Mode dan Differential Mode. Filter Common Mode meredam noise yang hadir pada dua konduktor atau jalur sekaligus, sementara filter Differential Mode meredam noise yang hadir pada satu jalur, dengan mengurangi perbedaan potensial antara dua konduktor.
- Filtrasi Sinusoidal: EMI filter juga dapat digunakan untuk menghilangkan noise sinusoidal yang masuk ke dalam sirkuit. Ini dilakukan dengan mengubah noise sinusoidal menjadi panas melalui resistansi dalam filter.
- Pemasangan yang Tepat: EMI filter biasanya dipasang pada titik masuk daya atau input peralatan elektronik. Ini memungkinkan filter untuk menangkap noise elektromagnetik sebelum mencapai peralatan dan merusaknya. Pemasangan yang tepat adalah kunci untuk efektivitas filter.
- Pengujian dan Penyesuaian: Sebelum digunakan secara aktif, EMI filter sering diuji untuk memastikan bahwa sudah bekerja dengan baik dan memenuhi spesifikasi yang diperlukan. Pengujian ini melibatkan pemeriksaan kemampuan filter untuk meredam noise pada frekuensi tertentu.
- Penyesuaian: Beberapa EMI filter dapat diatur atau disesuaikan sesuai dengan kebutuhan tertentu. Ini memungkinkan pengguna untuk menyesuaikan filter agar sesuai dengan situasi atau mengatasi gangguan elektromagnetik yang spesifik.

Dengan cara ini, EMI filter berfungsi sebagai “pembersih” sinyal listrik, menjaga sirkuit elektronik dan peralatan dari gangguan elektromagnetik yang dapat mengganggu kinerja atau menghasilkan ketidakstabilan dalam operasinya. Dalam berbagai aplikasi, penggunaan EMI filter menjadi penting untuk menjaga keandalan dan kualitas kinerja peralatan elektronik.
Aplikasi EMI Filter dalam Rangkaian Elektronika
Dalam bagian ini, kita akan menjelaskan berbagai aplikasi EMI filter dalam rangkaian elektronika dan di mana sebaiknya Anda memasangnya:
Power Supply
EMI filter sering digunakan dalam sirkuit power supply SMPS untuk menghilangkan noise yang dihasilkan oleh peralatan elektronik yang memasok daya. Ini membantu menjaga kelancaran daya yang masuk ke perangkat lain dalam rangkaian.
Elektronik Audio
Dalam peralatan audio, seperti amplifier, penerima AV, atau peralatan audio profesional, EMI filter digunakan untuk menghindari gangguan frekuensi tinggi yang dapat memengaruhi kualitas suara.
Perangkat Medis
Rangkaian elektronika dalam perangkat medis harus sangat sensitif dan dapat dipercaya. EMI filter digunakan untuk melindungi peralatan medis dari interferensi elektromagnetik yang dapat mengganggu diagnosis dan perawatan.
Kendaraan Elektrik
Kendaraan listrik dan hibrida sering menggunakan EMI filter pada sistem daya, khususnya pada pengisian baterai dan kendaraan listrik. Ini membantu menghindari gangguan yang dapat memengaruhi kendaraan dan perangkat elektronik di dalamnya.
Komunikasi
Rangkaian komunikasi, seperti peralatan radio dan pemancar, memerlukan perlindungan EMI untuk memastikan transmisi data yang stabil dan bersih tanpa gangguan.
Elektronik Industri
Dalam lingkungan industri, di mana banyak peralatan elektronik bekerja berdampingan, EMI filter digunakan untuk menghindari interferensi elektromagnetik yang dapat merusak peralatan dan mengganggu proses produksi.
Elektronik Konsumen
Pada perangkat elektronik konsumen seperti TV, komputer, dan perangkat seluler, EMI filter digunakan untuk mengurangi noise yang dapat memengaruhi kinerja perangkat dan mengganggu pengalaman pengguna.
Kesimpulan
EMI filter adalah alat yang sangat penting dalam melindungi peralatan elektronik dari gangguan elektromagnetik yang dapat merusak atau mengganggu kinerja mereka.
Dengan pemahaman tentang aplikasi EMI filter dalam berbagai rangkaian elektronika, Anda dapat memutuskan di mana sebaiknya Anda memasang EMI filter untuk melindungi peralatan dari interferensi elektromagnetik yang dapat merusak atau mengganggu kinerjanya. Dalam berbagai industri dan aplikasi, EMI filter telah terbukti sebagai alat yang sangat berguna untuk menjaga keandalan dan kualitas peralatan elektronik. Semoga artikel ini membantu Anda mengenali manfaat dan aplikasi EMI filter dengan lebih baik.
